万享亮相第十六届国际太阳能光伏与智慧能源展
“双碳”背景下,SNEC第十六届(2023)国际太阳能光伏与智慧能源(上海)展览于5月24日-26日在上海新国际博览中心拉开帷幕。作为新能源行业配套供应商,万享冷却携有自动风阀的闭式冷却塔、稀土永磁电机、分流量补水盒等一系列冷却设备亮相此次展会,引得众多参展者关注,展台人气持续火爆。

展会现场
主要展品:FBH-012型全不锈钢材质闭式冷却塔

配套的电动风阀模块,相对于常规闭式冷却塔,可有效防风沙柳絮,防冻防结冰。
FBH系列全不锈钢型闭式冷却塔,噪音低,冷却效率高,占地面积小,节能节水,双工况运行
在此次展会上,万享还带来了变流量布水盒和冷却塔专用高效永磁电机两项新的节能环保技术。
①变流量布水盒

适用于双工况冷却塔,可根据气象环境实现冷却塔喷淋水变流量调节,使冷却塔设备在高低温工况下均能高效运行
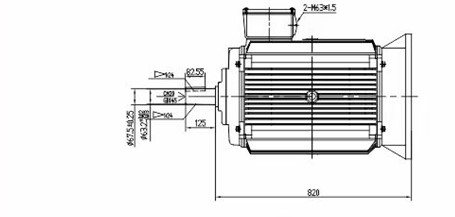
②冷却塔专用高效永磁电机

适用于节能型冷却塔,能效等级可高达IE5/6,并可实现变频无级调速
基于闭式冷却塔节能、环保、高效散热等特点,其在新能源行业中的应用已经越来越广泛。
①高效散热:
当光伏电池板发电时,会产生大量的热量。为了保持光伏板的稳定工作,延长使用寿命,必须立即释放此类热量。闭式冷却塔可以将冷却水循环到光伏板的边缘,并通过风扇将周围的空气引入冷却塔,使水和空气进行全方位的热交换。这样,热量就会被带走,从而降低光伏板的温度,提高发电效率。
②节能节水:
闭式冷却塔在冷却过程中采用循环水系统,相比传统的开放式冷却塔,大大减少了水的消耗。这种节水性能在新能源行业中尤为重要,因为许多新能源技术,如光伏和风能,都涉及到大量的水资源使用。同时,其节能性能也有助于减少温室气体的排放,符合新能源行业对环保的要求。


客户现场咨询产品
目前,万享的产品已经在新能源行业取得广泛应用,未来,万享将继续专注于产品技术与创新,为新能源行业提供更好的技术服务,为推动全球新能源的发展和加速全球碳中和进程而不懈努力。